
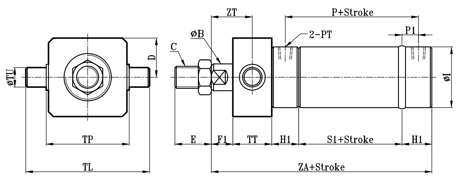
ROA:ROA+TA TYPE | 圓型中型油壓缸TA尺寸圖 14Mpa R0 Series TA Dimensional Features |
![]() | |
ROD:ROD+TA TYPE

注:感應油缸時,不論是單軸還是雙軸缸,缸筒長度的選擇均為雙軸缸的缸筒長度
| ROB-ROD TYPE | TA (耳軸型)TYPE | ||||||||||||||||||||
| 缸徑 BORE | ΦB | C | E | F | F1 | H1 | H | ΦI | P | P1 | PT | S1 | S | ZA | ZD | ZT | ΦTU | TL | TP | TT | D |
| Φ32 | 16 | M14xP1.5 | 30 | 15 | 22 | 25 | 50 | 42 | 81 | 10.5 | 1/4 | 60 | 80 | 150 | 210 | 31 | 18 | 92 | 62 | 18 | 25 |
| Φ40 | 20 | M16xP1.5 | 30 | 15 | 18 | 25 | 50 | 50 | 84 | 12 | 3/8 | 60 | 80 | 150 | 210 | 29 | 22 | 115 | 77 | 22 | 32.5 |
| Φ50 | 25 | M22xP1.5 | 40 | 20 | 23 | 30 | 60 | 60 | 95 | 12 | 3/8 | 71 | 95 | 181 | 255 | 36.5 | 27 | 140 | 92 | 27 | 40 |
| Φ63 | 35 | M30xP1.5 | 40 | 20 | 18 | 30 | 60 | 73 | 95 | 12 | 3/8 | 71 | 95 | 181 | 255 | 34 | 32 | 160 | 102 | 32 | 45 |
| Φ80 | 40 | M30xP1.5 | 45 | 25 | 23 | 35 | 70 | 92 | 113 | 15 | 1/2 | 83 | 110 | 213 | 300 | 41.5 | 37 | 190 | 122 | 37 | 55 |
| Φ100 | 50 | M40xP2.0 | 50 | 25 | 16 | 35 | 70 | 114 | 123 | 15 | 1/2 | 93 | 120 | 223 | 310 | 38 | 44 | 233 | 155 | 44 | 65 |
| Φ125 | 60 | M50xP2.0 | 60 | 30 | 16 | 40 | 80 | 140 | 136 | 19 | 3/4 | 98 | 130 | 248 | 350 | 43 | 54 | 277 | 180 | 54 | 81 |
| Φ140 | 70 | M60xP2.0 | 70 | 30 | 16 | 40 | 80 | 156 | 136 | 19 | 3/4 | 98 | 130 | 248 | 350 | 43 | 54 | 300 | 200 | 54 | 95 |
| Φ150 | 80 | M70xP2.0 | 80 | 30 | 11 | 45 | 90 | 168 | 151 | 19 | 3/4 | 113 | 150 | 278 | 390 | 43 | 64 | 330 | 212 | 64 | 97. 5 |
| Φ160 | 80 | M70xP2.0 | 80 | 30 | 11 | 45 | 90 | 178 | 151 | 19 | 3/4 | 113 | 150 | 278 | 390 | 43 | 64 | 340 | 222 | 64 | 102.5 |
| Φ180 | 100 | M90xP2.0 | 100 | 35 | 15 | 50 | 100 | 200 | 177 | 23.5 | 1 | 130 | 170 | 315 | 440 | 50 | 70 | 400 | 255 | 70 | 117.5 |
| Φ200 | 100 | M90xP2.0 | 100 | 35 | 15 | 50 | 100 | 228 | 177 | 23.5 | 1 | 130 | 170 | 315 | 440 | 50 | 70 | 425 | 277 | 70 | 130.5 |
| Φ220 | 125 | M100xP3.0 | 110 | 35 | 10 | 55 | 110 | 250 | 203 | 28 | 1 1/4 | 147 | 190 | 347 | 480 | 50 | 80 | 480 | 302 | 80 | 142.5 |
| Φ250 | 125 | M100xP3.0 | 110 | 35 | 10 | 55 | 110 | 276 | 203 | 28 | 1 1/4 | 147 | 190 | 347 | 480 | 50 | 80 | 510 | 332 | 80 | 157.5 |
訂購:r0-ta