
ROB:ROB+FB(方型) TYPE | 圓型中型油壓缸FB板尺寸圖 14Mpa R0 Series FB Dimensional Features |
![]() | |
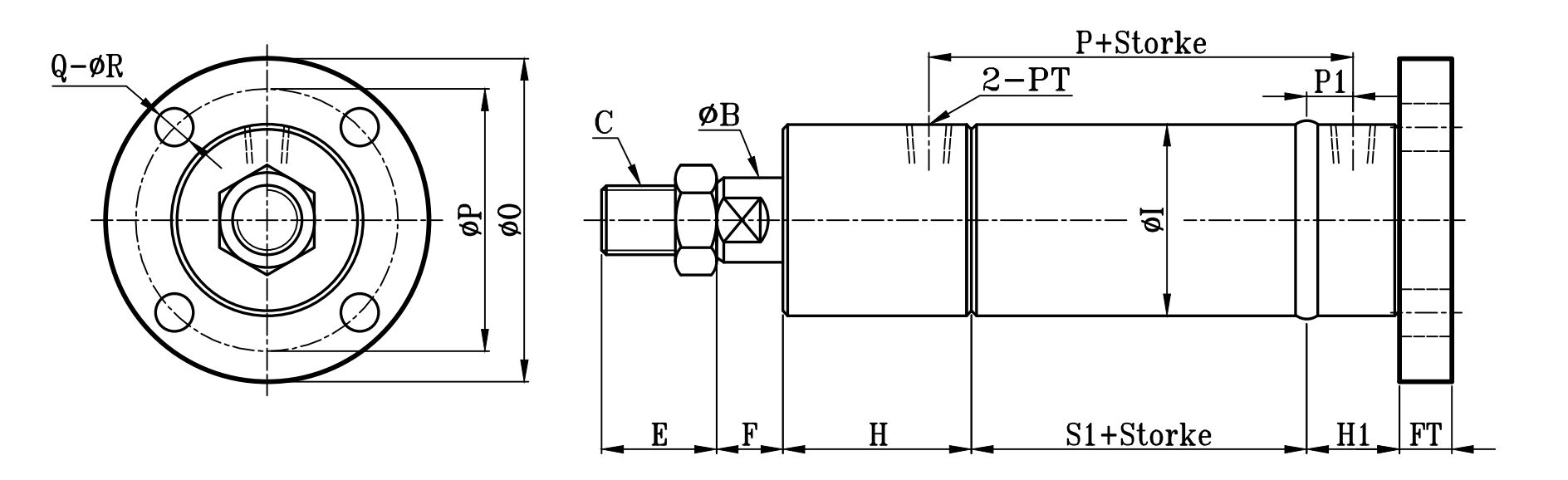
ROB:ROB+FB(圓型) TYPE

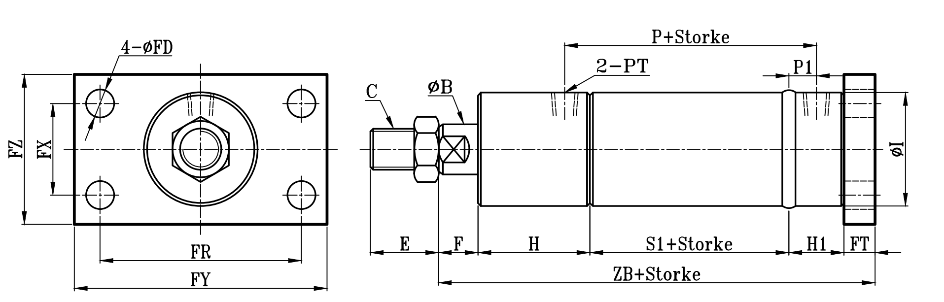
ROD:ROD+FB TYPE

注:感應油缸時,不論是單軸還是雙軸缸,缸筒長度的選擇均為雙軸缸的缸筒長度
| ROB-ROD TYPE | FB(方法蘭) | FB(圓法蘭) | ||||||||||||||||||||||
| 缸徑 BORE | ΦB | C | E | F | HI | H | ΦI | P | P1 | PT | S1 | S | ZB | ZD | FT | ΦFD | FR | FX | FY | FZ | Q | ΦR | Φ0 | ΦP |
| Φ32 | 16 | M14xP1.5 | 30 | 15 | 25 | 50 | 42 | 81 | 10. 5 | 1/4 | 60 | 80 | 164 | 210 | 14 | 12 | 80 | 35 | 100 | 55 | 4 | 10 | 90 | 65 |
| Φ40 | 20 | M16xP1.5 | 30 | 15 | 25 | 50 | 50 | 84 | 12 | 3/8 | 60 | 80 | 164 | 210 | 14 | 12 | 93 | 50 | 115 | 70 | 4 | 12 | 100 | 75 |
| Φ50 | 25 | M22xP1.5 | 40 | 20 | 30 | 60 | 60 | 95 | 12 | 3/8 | 71 | 95 | 197 | 255 | 16 | 14 | 110 | 56 | 135 | 85 | 6 | 12 | 110 | 85 |
| Φ63 | 35 | M30xP1.5 | 40 | 20 | 30 | 60 | 73 | 95 | 12 | 3/8 | 71 | 95 | 197 | 255 | 16 | 16 | 126 | 68 | 155 | 95 | 6 | 14 | 130 | 101 |
| Φ80 | 40 | M30xP1.5 | 45 | 25 | 35 | 70 | 92 | 113 | 15 | 1/2 | 83 | 110 | 231 | 300 | 18 | 18 | 152 | 75 | 190 | 120 | 6 | 16 | 160 | 127 |
| Φ100 | 50 | M40xP2.0 | 50 | 25 | 35 | 70 | 114 | 123 | 15 | 1/2 | 93 | 120 | 243 | 310 | 20 | 20 | 180 | 100 | 220 | 140 | 6 | 18 | 185 | 150 |
| Φ125 | 60 | M50xP2.0 | 60 | 30 | 40 | 80 | 140 | 136 | 19 | 3/4 | 98 | 130 | 272 | 350 | 24 | 24 | 222 | 122 | 270 | 170 | 6 | 18 | 215 | 180 |
| Φ140 | 70 | M60xP2.0 | 70 | 30 | 40 | 80 | 160 | 136 | 19 | 3/4 | 98 | 130 | 277 | 350 | 29 | 26 | 250 | 145 | 300 | 195 | 6 | 20 | 240 | 205 |
| Φ150 | 80 | M70xP2.0 | 80 | 30 | 45 | 90 | 168 | 153 | 19 | 3/4 | 113 | 150 | 307 | 390 | 29 | 29 | 260 | 155 | 315 | 210 | 8 | 20 | 255 | 215 |
| Φ160 | 80 | M70xP2.0 | 80 | 30 | 45 | 90 | 178 | 153 | 19 | 3/4 | 113 | 150 | 307 | 390 | 29 | 29 | 270 | 165 | 325 | 220 | 8 | 20 | 270 | 230 |
| Φ180 | 100 | M90xP2.0 | 100 | 35 | 50 | 100 | 200 | 177 | 23.5 | 1 | 130 | 170 | 349 | 440 | 34 | 32 | 315 | 188 | 375 | 250 | 10 | 20 | 290 | 250 |
| Φ200 | 100 | M90xP2.0 | 100 | 35 | 50 | 100 | 228 | 177 | 23.5 | 1 | 130 | 170 | 354 | 440 | 39 | 35 | 355 | 207 | 425 | 275 | 10 | 20 | 315 | 274 |
| Φ220 | 125 | M100xP3.0 | 110 | 35 | 55 | 110 | 250 | 203 | 28 | 1 1/4 | 147 | 190 | 391 | 480 | 44 | 38 | 375 | 225 | 450 | 300 | 12 | 22 | 340 | 300 |
| Φ250 | 125 | M100xP3.0 | 110 | 35 | 55 | 110 | 276 | 203 | 28 | 1 1/4 | 147 | 190 | 399 | 480 | 49 | 41 | 410 | 250 | 490 | 330 | 12 | 22 | 365 | 325 |
訂購:r0-fb