
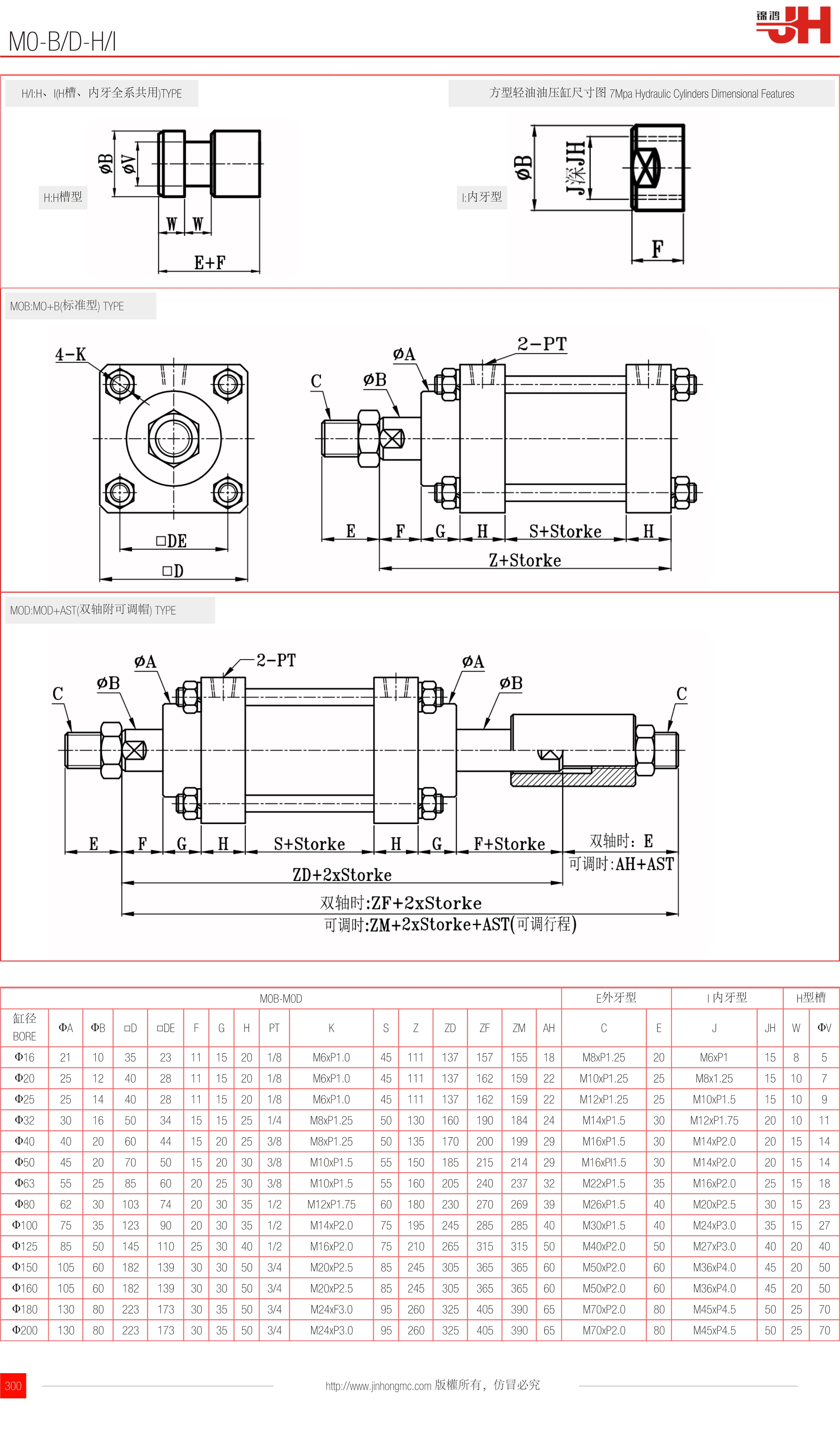
H/I:H、I(H槽、內牙全系共用)TYPE | 方型輕油油壓缸尺寸圖 7Mpa Hydraulic Cylinders Dimensional Features |
H:H槽型![]() | I:內牙型![]() |
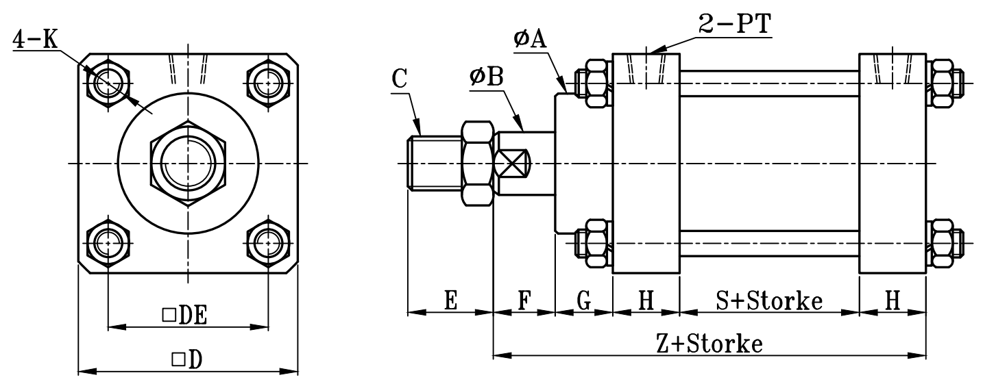
MOB:MO+B(標準型) TYPE

MOD:MOD+AST(雙軸附可調帽) TYPE

| M0B-M0D | E外牙型 | I 內牙型 | H型槽 | ||||||||||||||||||
| 缸徑 BORE | ΦA | ΦB | □D | □DE | F | G | H | PT | K | S | Z | ZD | ZF | ZM | AH | C | E | J | JH | W | ΦV |
| Φ16 | 21 | 10 | 35 | 23 | 11 | 15 | 20 | 1/8 | M6xP1.0 | 45 | 111 | 137 | 157 | 155 | 18 | M8xP1.25 | 20 | M6xP1 | 15 | 8 | 5 |
| Φ20 | 25 | 12 | 40 | 28 | 11 | 15 | 20 | 1/8 | M6xP1.0 | 45 | 111 | 137 | 162 | 159 | 22 | M10xP1.25 | 25 | M8x1.25 | 15 | 10 | 7 |
| Φ25 | 25 | 14 | 40 | 28 | 11 | 15 | 20 | 1/8 | M6xP1.0 | 45 | 111 | 137 | 162 | 159 | 22 | M12xP1.25 | 25 | M10xP1.5 | 15 | 10 | 9 |
| Φ32 | 30 | 16 | 50 | 34 | 15 | 15 | 25 | 1/4 | M8xP1.25 | 50 | 130 | 160 | 190 | 184 | 24 | M14xP1.5 | 30 | M12xP1.75 | 20 | 10 | 11 |
| Φ40 | 40 | 20 | 60 | 44 | 15 | 20 | 25 | 3/8 | M8xP1.25 | 50 | 135 | 170 | 200 | 199 | 29 | M16xP1.5 | 30 | M14xP2.0 | 20 | 15 | 14 |
| Φ50 | 45 | 20 | 70 | 50 | 15 | 20 | 30 | 3/8 | M10xP1.5 | 55 | 150 | 185 | 215 | 214 | 29 | M16xPl1.5 | 30 | M14xP2.0 | 20 | 15 | 14 |
| Φ63 | 55 | 25 | 85 | 60 | 20 | 25 | 30 | 3/8 | M10xP1.5 | 55 | 160 | 205 | 240 | 237 | 32 | M22xP1.5 | 35 | M16xP2.0 | 25 | 15 | 18 |
| Φ80 | 62 | 30 | 103 | 74 | 20 | 30 | 35 | 1/2 | M12xP1.75 | 60 | 180 | 230 | 270 | 269 | 39 | M26xP1.5 | 40 | M20xP2.5 | 30 | 15 | 23 |
| Φ100 | 75 | 35 | 123 | 90 | 20 | 30 | 35 | 1/2 | M14xP2.0 | 75 | 195 | 245 | 285 | 285 | 40 | M30xP1.5 | 40 | M24xP3.0 | 35 | 15 | 27 |
| Φ125 | 85 | 50 | 145 | 110 | 25 | 30 | 40 | 1/2 | M16xP2.0 | 75 | 210 | 265 | 315 | 315 | 50 | M40xP2.0 | 50 | M27xP3.0 | 40 | 20 | 40 |
| Φ150 | 105 | 60 | 182 | 139 | 30 | 30 | 50 | 3/4 | M20xP2.5 | 85 | 245 | 305 | 365 | 365 | 60 | M50xP2.0 | 60 | M36xP4.0 | 45 | 20 | 50 |
| Φ160 | 105 | 60 | 182 | 139 | 30 | 30 | 50 | 3/4 | M20xP2.5 | 85 | 245 | 305 | 365 | 365 | 60 | M50xP2.0 | 60 | M36xP4.0 | 45 | 20 | 50 |
| Φ180 | 130 | 80 | 223 | 173 | 30 | 35 | 50 | 3/4 | M24xF3.0 | 95 | 260 | 325 | 405 | 390 | 65 | M70xP2.0 | 80 | M45xP4.5 | 50 | 25 | 70 |
| Φ200 | 130 | 80 | 223 | 173 | 30 | 35 | 50 | 3/4 | M24xP3.0 | 95 | 260 | 325 | 405 | 390 | 65 | M70xP2.0 | 80 | M45xP4.5 | 50 | 25 | 70 |
訂購:m0-bd-hi