
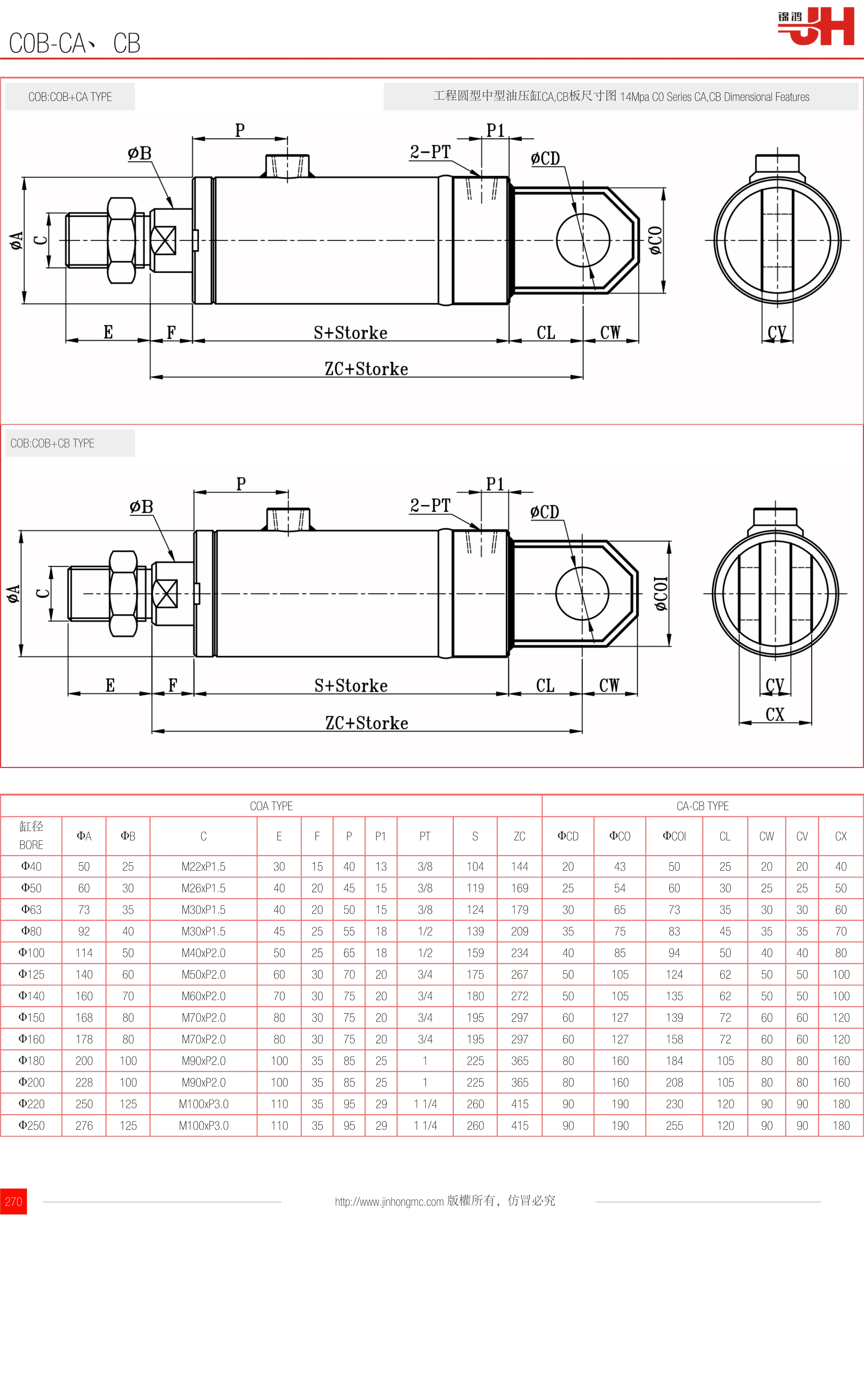
COB:COB+CA TYPE | 工程圓型中型油壓缸CA,CB板尺寸圖 14Mpa C0 Series CA,CB Dimensional Features |
![]() | |
COB:COB+CB TYPE

| COA TYPE | CA-CB TYPE | ||||||||||||||||
| 缸徑 BORE | ΦA(chǔ) | ΦB | C | E | F | P | P1 | PT | S | ZC | ΦCD | ΦCO | ΦCOI | CL | CW | CV | CX |
| Φ40 | 50 | 25 | M22xP1.5 | 30 | 15 | 40 | 13 | 3/8 | 104 | 144 | 20 | 43 | 50 | 25 | 20 | 20 | 40 |
| Φ50 | 60 | 30 | M26xP1.5 | 40 | 20 | 45 | 15 | 3/8 | 119 | 169 | 25 | 54 | 60 | 30 | 25 | 25 | 50 |
| Φ63 | 73 | 35 | M30xP1.5 | 40 | 20 | 50 | 15 | 3/8 | 124 | 179 | 30 | 65 | 73 | 35 | 30 | 30 | 60 |
| Φ80 | 92 | 40 | M30xP1.5 | 45 | 25 | 55 | 18 | 1/2 | 139 | 209 | 35 | 75 | 83 | 45 | 35 | 35 | 70 |
| Φ100 | 114 | 50 | M40xP2.0 | 50 | 25 | 65 | 18 | 1/2 | 159 | 234 | 40 | 85 | 94 | 50 | 40 | 40 | 80 |
| Φ125 | 140 | 60 | M50xP2.0 | 60 | 30 | 70 | 20 | 3/4 | 175 | 267 | 50 | 105 | 124 | 62 | 50 | 50 | 100 |
| Φ140 | 160 | 70 | M60xP2.0 | 70 | 30 | 75 | 20 | 3/4 | 180 | 272 | 50 | 105 | 135 | 62 | 50 | 50 | 100 |
| Φ150 | 168 | 80 | M70xP2.0 | 80 | 30 | 75 | 20 | 3/4 | 195 | 297 | 60 | 127 | 139 | 72 | 60 | 60 | 120 |
| Φ160 | 178 | 80 | M70xP2.0 | 80 | 30 | 75 | 20 | 3/4 | 195 | 297 | 60 | 127 | 158 | 72 | 60 | 60 | 120 |
| Φ180 | 200 | 100 | M90xP2.0 | 100 | 35 | 85 | 25 | 1 | 225 | 365 | 80 | 160 | 184 | 105 | 80 | 80 | 160 |
| Φ200 | 228 | 100 | M90xP2.0 | 100 | 35 | 85 | 25 | 1 | 225 | 365 | 80 | 160 | 208 | 105 | 80 | 80 | 160 |
| Φ220 | 250 | 125 | M100xP3.0 | 110 | 35 | 95 | 29 | 1 1/4 | 260 | 415 | 90 | 190 | 230 | 120 | 90 | 90 | 180 |
| Φ250 | 276 | 125 | M100xP3.0 | 110 | 35 | 95 | 29 | 1 1/4 | 260 | 415 | 90 | 190 | 255 | 120 | 90 | 90 | 180 |
訂購:c0b-ca-cb