

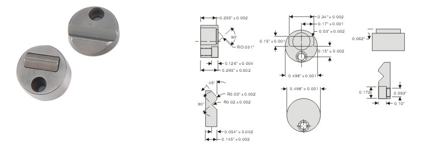
JHN26標準限位夾的設計,能有效的預防模
座滑塊逐漸松動的問題。此款限位夾外形
小巧,合理的利用了有效的空間。
The design of JHN26 stardardlocating
clamps can prevent mold base'sslide
and loose effectively.It's small but
utilize space soundly.
| Material M材質 | Hardness 硬度 |
|---|---|
| SKH-51 | HRC59°~61° |
| Type | 荷重 load(kgf) |
|---|---|
| JNH26 | 3.6kgf |

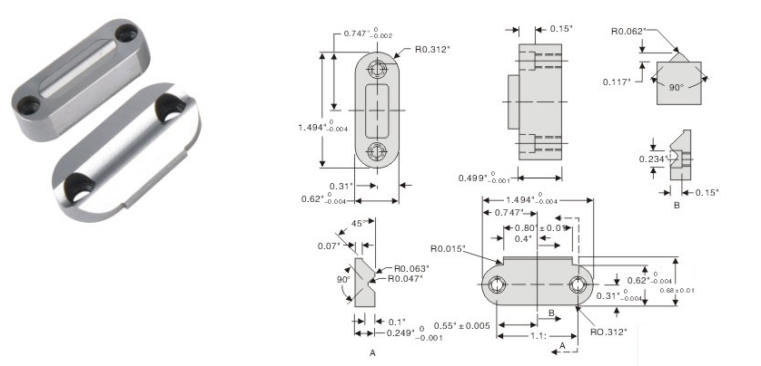
JHN27容易安裝進入模座滑塊中,巧妙
的隱藏在限位裝置中
JHN27 is easy to install in the mold
base's slider,and embedding artful in
the locating sets.
| Material M材質 | Hardness 硬度 |
|---|---|
| SKH-51 | HRC59°~61° |
| Type | 荷重 load(kgf) |
|---|---|
| JNH27 | 11.25kgf |

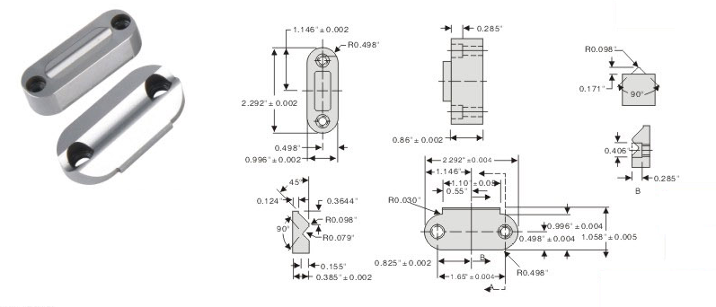
JHN28完美的應用于壓鑄模具中,多
個限位夾容易加工安裝在模具中,以
達到更大的荷重。
JHN28 apply to injection mold
perfectly,it's easy to install many
locating clamps in mold,to achieve
more load.
| Material M材質 | Hardness 硬度 |
|---|---|
| SKH-51 | HRC59°~61° |
| Type | 荷重 load(kgf) |
|---|---|
| JNH28 | 22.5kgf |

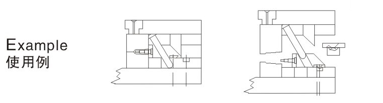
訂購:96-限位夾 JHN26